Магазин запчастей для бытовой техники - Arlos
Москва
close
Выберите ваш регион
АбаканАлександровАльметьевскАнгарскАрзамасАрмавирАртемАрхангельскАстраханьАчинскБалаковоБалашихаБеларусьБелгородБердскБерезникиБийскБлаговещенскБратскБрянскВеликий НовгородВидноеВладивостокВладикавказВладимирВолгоградВолгодонскВолжскийВологдаВолховВоркутаВоронежВоскресенскВыборгГатчинаГеленджикГрозныйДедовскДербентДзержинскДзержинскийДимитровградДмитровДолгопрудныйДомодедовоДонецкЕвпаторияЕгорьевскЕкатеринбургЕлецЕссентукиЖелезногорскЖелезнодорожныйЖуковскийЗеленоградЗлатоустИвановоИвантеевкаИжевскИркутскИстраЙошкар-ОлаКазаньКалининградКалугаКаменск-УральскийКамышинКаспийскКемеровоКерчьКировКисловодскКлинКовровКоломнаКомсомольск-на-АмуреКопейскКоролёвКостромаКотельникиКрасногорскКраснодарКраснознаменскКрасноярскКурганКурскКызылЛенинск-КузнецкийЛипецкЛобняЛыткариноЛюберцыМагнитогорскМайкопМалаховкаМахачкалаМиассМоскваМурманскМуромМытищиНабережные ЧелныНазраньНальчикНаро-ФоминскНахабиноНаходкаНевинномысскНефтекамскНефтеюганскНижневартовскНижнекамскНижний НовгородНижний ТагилНовокузнецкНовокуйбышевскНовомосковскНовороссийскНовосибирскНовоуральскНовочебоксарскНовочеркасскНовошахтинскНовый УренгойНогинскНорильскНоябрьскОбнинскОдинцовоОктябрьскийОмскОрелОренбургОрехово-ЗуевоОрскПавловский ПосадПензаПервоуральскПермьПетрозаводскПетропавловск-КамчатскийПодольскПрокопьевскПсковПушкиноПятигорскРаменскоеРеутовРостов-на-ДонуРубцовскРыбинскРязаньСакиСалаватСамараСанкт-ПетербургСаранскСаратовСевастопольСеверодвинскСеверскСергиев ПосадСерпуховСимферопольСмоленскСосновый БорСочиСтавропольСтарый ОсколСтерлитамакСтупиноСургутСызраньСыктывкарТаганрогТамбовТверьТихвинТольяттиТомилиноТомскТроицкТулаТюменьУлан-УдэУльяновскУссурийскУсть-ИлимскУфаУхтаФеодосияФрязиноХабаровскХанты-МансийскХасавюртХимкиЧебоксарыЧелябинскЧереповецЧеркесскЧеховЧитаШахтыЩелковоЭлектростальЭлистаЭнгельсЮжно-СахалинскЯкутскЯлтаЯрославль
  • - бесплатно по РФ
    Автоперезвон. Работает по принципу: Вы позвонили на номер, мы сбрасываем звонок и перезваниваем через 3 секунды.
  • - по Москве
  • 8 (925) 663-83-63

Call-центр

пн-вс: 10:00-19:00

Генератор бензиновый СБ-7000Е

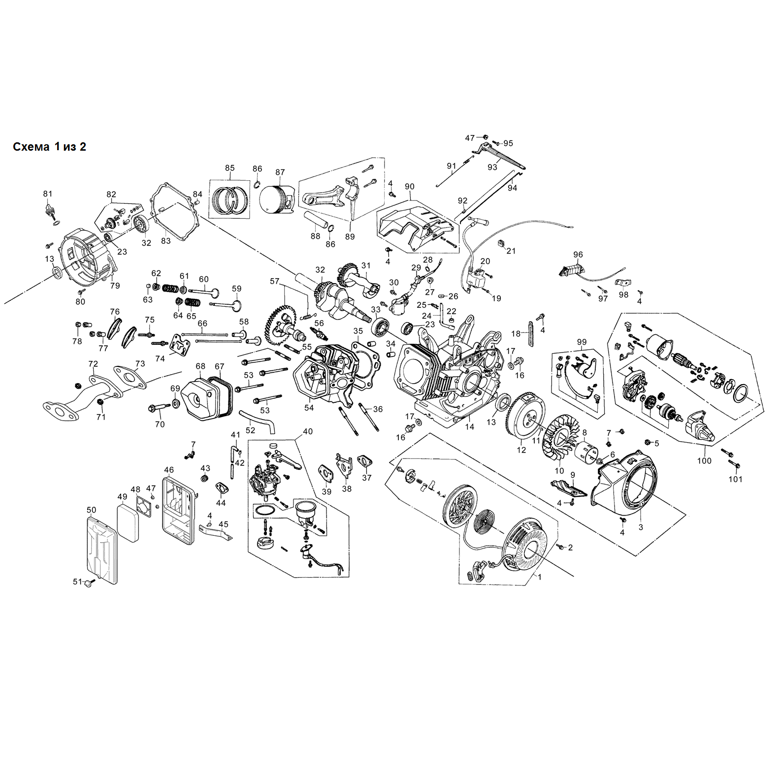
Данная модель имеет несколько схем

NАртикулНазваниеСрок отгрузкиЦенаКупить
EU-M4T Масло для 4-тактных двигателей -4 р.
1 N000-033-066 Стартер ручной в сборе 1.865 р.
2.160 N000-039-404 Двигатель ДВС в сборе 29.092 р.
5 N000-033-050 Пробка резиновая
7 N000-032-894 Зажим
8 N000-033-068 Стакан храповик 224 р.
9 N000-032-899 Кожух защитный
10 N000-032-950 Крыльчатка 20.848 р.
11 N000-033-119 Шпонка сегментная L18xS4xH5.5 30 р.
12 N000-032-974 Маховик
13 N000-033-061 Сальник D52хd35х8 238 р.
14 N000-032-911 Блок цилиндра D92
16 N000-032-855 Болт слива масла 41 р.
17 N000-033-010 Прокладка болта слива масла 12 р.
18 N000-032-893 Зажим
20 N000-032-920 Магнето 771 р.
21 N000-032-930 Колодка
22 N000-033-062 Сальник D14хd8х5 41 р.
23 N000-032-987 Подшипник 6202
24 N000-033-045 Регулятор скорости
25 N000-033-118 Шплинт
28 N000-033-095 Кольцо уплотнительное d14
31 N000-032-863 Вал балансировочный
32 N000-032-926 Вал коленчатый 188F 5.640 р.
33 N000-032-988 Подшипник 6207
34 N000-033-122 Штифт 12x10
35 N000-033-016 Прокладка головки блока цилиндров 336 р.
36 N000-033-116 Шпилька 8x160 189 р.
37 N000-032-852 Прокладка теплоизолятора 21 р.
38 N000-033-078 Блок теплоизоляционный
39 N000-033-018 Прокладка карбюратора 17 р.
40 N000-032-905 Карбюратор P27-2 3.098 р.
41 N000-033-084 Шланг топливный L200 D8/d4 92 р.
42 N000-033-033 Зажим пружинный
43 N000-033-051 Кольцо резиновое
44 N000-032-858 Прокладка 21 р.
45 N000-032-947 Кронштейн воздушного фильтра
46 N000-032-942 Корпус воздушного фильтра
48 N000-032-953 Фильтр воздушный в сборе 958 р.
52 N000-032-967 Трубка отходящих газов
54 N000-032-961 Головка цилиндра 6.784 р.
55 N000-033-117 Шпилька 8х34 92 р.
56 N000-033-063 Свеча зажигания F7TC 276 р.
57 N000-033-040 Вал распределительный 1.548 р.
58 N000-033-081 Толкатель
59 N000-032-867 Клапан впускной
60 N000-032-877 Клапан выпускной
61 N000-032-969 Колпачек толкателя
62 N000-033-032 Седло впускного клапана D35
63 N000-032-959 Колпачек регулировочный
64 N000-033-030 Седло впускного клапана
65 N000-032-840 Пружина клапана
66 N000-033-082 Толкатель
67 N000-033-021 Прокладка крышки головки цилиндров 175 р.
68 N000-032-965 Крышка головки цилиндра
69 N000-033-008 Прокладка болта головки цилиндров
72 N000-032-874 Труба выхлопная
73 N000-032-860 Прокладка 36 р.
74 N000-032-980 Пластина ограничительная 383 р.
79 N000-032-956 Крышка картера
81 N000-032-971 Щуп масляный с прокладкой 78 р.
82 N000-033-047 Регулятор оборотов центробежный 261 р.
83 N000-033-020 Прокладка картера 337 р.
84 N000-033-124 Штифт 8x12
85 N000-032-933 Кольца поршневые комплект D92 188F 477 р.
86 N000-033-100 Кольцо стопорное поршневого пальца 12 р.
87 N000-032-993 Поршень D92 188F
88 N000-032-997 Палец поршневой 124 р.
89 N000-033-113 Шатун в сборе 814 р.
90 N000-033-106 Элемент механизма управления дроссельной заслонкой
91 N000-033-023 Пружина растяжения
92 N000-033-027 Пружина растяжения
93 N000-033-046 Регулятор скорости
94 N000-032-985 Планка натяжения акселератора
95 N000-032-853 Болт с квадратной головкой
96 N000-032-897 Катушка зарядная 563 р.
98 N000-032-944 Кронштейн
99 V000-002-380 Стартер электрический в сборе с реле 5.096 р.
111 N000-032-889 Крышка двигателя задняя
114 N000-032-923 Клеммная колодка
115 N000-033-093 Щетка графитовая 6х37х5 276 р.
116 V000-004-477 Блок электронный регулировки напряжения (AVR) AVR5KW 230V 1.477 р.
120 N000-032-892 Опора двигателя задняя
122 N000-032-898 Защита генератора
123 N000-033-074 Статор
126 N000-033-058 Ротор 2.270 р.
127 N000-033-089 Бак топливный
128 N000-032-960 Крышка топливного бака
129 N000-033-101 Фильтр топливного бака
131 N000-032-888 Датчик уровня топлива
134 N000-032-871 Втулка
135 N000-033-049 Втулка резиновая
136 N000-033-090 Кран топливный с фильтром резьба М16х1.5/ёлочка D6 286 р.
139 N000-032-880 Глушитель 4.845 р.
140 N000-032-861 Прокладка 36 р.
143 N000-032-977 Кронштейн монтажный
144 N000-032-850 Амортизатор
147 N000-033-036 Рама
149 N000-032-978 Ножка резиновая
150 N000-032-990 Поперечина рамы
151 N000-032-982 Блок резиновый опорный
156 N000-032-882 Розетка (220В/32А)
157 N000-032-881 Розетка 220В/16А 383 р.
158 N000-033-001 Автомат (35А) 1.450 р.
159 N000-032-937 Контакт заземления
160 N000-032-865 Вольтметр 91L4 0-300В 45х45мм 455 р.
161 N000-044-805 Замок зажигания (6 контактов) 809 р.
162 N000-033-096 Фиксатор АКБ
164 N000-033-007 Провод (плюс)
165 N000-033-006 Провод (минус)
Найдено товаров: 110
1
▲ Наверх
0
8 (925) 663-83-63

Call-центр

пн-вс: 10:00-19:00

НАЙТИ ПО МОДЕЛИ
Введите номер заказа
Введите номер своего заказа, что бы узнать его текущий статус.
Что бы получить доступ к расширенным функциям, пройдите не сложную регистрацию. Зарегистрироваться